基于云的计算、人工智能和区块链等行业的快速增长极大地提高了全球对数据中心处理能力的需求,再加上不断上涨的电力和占地成本,这些驱动了对用于服务器市场的既节省电力又节省空间的高效开关电源(SMPS)的需求。本文将分析在采用硅和宽带隙(WBG)开关拓扑结构的服务器电源中,封装在满足功率和密度要求方面所起的重要作用,还将简要介绍服务器SMPS的应用和发展趋势,然后会讨论组件的实现、热性能以及在高频运行中使用Infineon低寄生电感表面贴装器件(SMD)封装的优势。
服务器电源拓扑架构
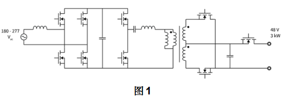
当代高效电源通常使用图腾柱级来实现无桥功率因数校正(PFC),然后使用LLC电路实现谐振DC-DC转换器(参见图1)。服务器电源的典型规格为Vin=180~277V,Vout=48V,Pout=3kW。

帕累托优化(Pareto optimization)可以用来帮助理解在转换器系统中如何实现工作效率和功率密度之间的权衡。当考虑不同的设计变量时,这种方法采用较为详细的系统和组件模型,效率按50%额定输出功率时计算,并考虑PFC和LLC级的损耗。完整服务器电源系统的帕累托优化计算结果如图2所示。其中表明,中等功率密度(~40W/inch3)电源的效率可达98.2%,而更高密度设计(大于80W/inch3)的效率略低,最高为97.5%。一个非常有趣的观察结果是,在更高密度设计中,LLC级需要增大开关频率,这证实了在支持这种高密度设计时对于封装的要求。

SMPS封装
Infineon能够提供全面的封装组合,使用底侧冷却(BSC)或顶侧冷却(TSC)来满足更高密度服务器SMPS的要求,其中SMD封装通常使用典型的回流焊工艺安装在PCB上。每种封装类型的性能可以在组件、热性能和寄生电效应等项目下进行比较。
对于底侧冷却(参见图3),热量从封装底部散热器(裸露焊盘)通过PCB引导到安装在板对面的外部散热器。这意味着当使用基于FR4的板时,需要热过孔(通过下面的PCB)来进行热传递。在板的底部,外部散热器安装在热过孔上方区域。散热器和PCB使用热介面材料(TIM)进行电气隔离。为了降低系统热阻抗,通常使用具有良好热导纳(thermal admittance)且厚度在100~500μm范围的箔作为热介面材料,以降低结到环境的瞬态热阻(Zthja)。

然而,底侧冷却有两个方面的局限。首先,PCB的厚度取决于电路板设计所需的铜层数量和热过孔密度限制。由此,用于通过PCB进行热传递的有效横截面积相对于散热器的尺寸会减小。其次,热介面材料的热导纳比设备散热器和外部散热器低很多,因此它不能消散如此多热量。在某些情况下,用绝缘金属基板(IMS)代替基于FR4的基板可以在不超过器件最高工作温度或PCB温度的情况下实现更好的热流。对于单层IMS PCB设计,既不需要热过孔,也不需要额外的TIM,并且可以通过使用PCB板的铝芯作为散热器,从而不再需要外部散热器。但是,虽然这减少了Zthja,但它降低了PCB板上温度循环次数(TCoB),尤其是对于TO-leadless(TOLL)或ThinPAK等无引线SMD封装。这是因为基于IMS的PCB比基于FR4的PCB柔性更小。
对于TSC封装(参见图4),设备散热片位于封装顶部,并通过TIM与外部散热片直接连接(见图4)。在这里,没有热量通过PCB和热过孔,这意味着它们对总热阻没有贡献。这提高了整体导热性,并允许更高的封装最大功耗。TSC的另一个优点是,它能够释放PCB侧对面的空间,可留作布局栅极驱动器或无源元件等其他设备,这些空间也可以用于在封装体下方布局信号链路。

为了提供良好的热介面,建议在将散热器连接到TSC设备时施加一定程度的力。对于具有正向托起高度(positive stand-off)引线SMD封装(图5),该力以及由其它温度循环引起的力都会被封装引线吸收,从而使QDPAK器件能够进行大量的TCoB循环。然而,对于负向托起高度封装,必须避免可能增加设计和制造复杂性的系统可靠性问题。此外,由于降低了封装高度公差(这允许使用更薄的热介面材料),负向托起高度封装具有较低Zthja的优点。然而,当考虑到PCB翘曲等其他公差,尤其是对于使用标准散热器的具有多个功率器件的较大PCB,负向托起高度封装优势已经变得不那么重要。

图6所示为一个常见散热器布局方法的示意图,其中TIM(由绝缘箔和间隙填充物组成)堆叠在器件和散热器之间,其中间隙填充物用于补偿制造公差。这种热传递方法必须确保器件和外部散热器之间的可靠电绝缘。此外,间隙填充材料必须符合必要的击穿等级要求,并且在PCB组装过程中防止间隙填充物出现气孔或封入颗粒,这一点也很重要。清洁的制造环境有助于减少系统组装过程中引入的污染物,并降低由此导致的系统故障风险。

为了进一步降低Zthja和通过TSC的动态功耗,建议使用直接焊在封装散热器上的中间散热器(参见图7)。这种附加散热器的热容量可以储存更多的热量(持续时间长达几秒),然后将其进一步转移到标准散热器和外部环境中。若要实现更低的Zthja,在均热板(heat spreader)作为主散热器,并且可以使用风扇强制气流直接冷却的情况下,可以移除标准散热器和TIM。

散热性能
图8所示为安装在具有强制空气冷却、基于FR4 PCB上的各种THD、BSC SMD和TSC SMD封装Zthja的时间变化曲线。所有封装内部都包含相同的器件类型,假设其功耗相同。可以看出,尽管两种封装的有效冷却面积相同,DDPAK(TSC封装)的Zthja比TO263(BSC封装)低60%,这是因为DDPAK避免了使用先前讨论的“热过孔”要求。该图表明顶侧冷却封装可以实现与通孔器件(THD)相当的Zthja值,还可以看出,使用具有等效高热导纳(λ)的隔离材料薄层是实现良好Zthja的关键。此外,使用间隙填充物和隔离箔(λ甚至更高)可以使TSC封装提供甚至低于THD的Zthja值。

(Zthja)在高频运行中低电感封装优势
图9展示了封装源极电感(LSc)从0增加到4 nH时,其对导通瞬态的影响。漏极电流(di/dt)的上升导致LSc两端的感应电压下降。这种效应降低了栅极驱动电压和栅极电流,这意味着电压瞬态需要更长时间,并且损耗增大。同样的机制反过来适用于关断瞬态。

LSc的负面影响可以通过使用单独的源极感应引脚(开尔文源)来消除,以减少开关损耗(参见图10)。使用源极感应连接来驱动开关器件的栅极,LSc可被放置在栅极驱动环路之外。因此,感应电压峰值不会反馈到驱动电路,这与使用单个源极连接的标准配置不同。然而,需要注意的是,尽管Kelvin源极封装解决了LSc对栅极驱动和开关速度的负面影响,但它仍然增加了环路总电感,这是一个非常关键参数,会导致快速开关应用中的振铃,采用宽带隙(WBG)开关器件的服务器SMPS即是一例。因此,即便使用开尔文源极,也应尽量减小LSc。

总结
本文以数据中心服务器应用为例,分析了功率半导体封装在满足开关模式电源功率密度要求方面可能产生的重大影响,讨论了各种不同类型SMD封装,以及相应的组装实现和热性能,列举了在高频应用中选择具有低寄生电感封装的优势。下表1中总结了Infineon针对服务器SMPS应用的SMD封装组合,并比较了它们的主要参数。
表1:服务器应用中SMD BSC和TSC封装概述。为了评估封装电感,假设封装内部器件都具有类似的RDS(ON)值。
